1500W PMSM Motor NP 120H (48–72V) | High-Efficiency Electric Vehicle Drive Motor
1.2kW 48-72V PMSM Motor for Electric Vehicle
This 1.2kW Permanent Magnet Synchronous Motor (PMSM) is built for light electric vehicles such as tuk-tuks and e-tricycles. Operating at 48V–72V, it offers a compact design with reliable performance for a variety of urban.
With efficiency up to 95%, the motor ensures reduced energy loss and extended driving range. Hall position sensors enable precise control and smooth acceleration, even under frequent start-stop conditions.
The motor features advanced sine wave vector control, delivering stable torque, low noise, and enhanced ride comfort. It's well-suited for both passenger and cargo vehicles requiring consistent output and efficient power use.
Designed with durable materials and thermal protection, this PMSM motor performs reliably across a wide temperature range. It’s an ideal choice for OEMs and conversion projects seeking performance and long-term durability.

Key Features
High-efficiency BLDC design for energy savings
Wide voltage and power compatibility (48V to 72V, up to 1500W)
Durable structure with sealed IP protection (S2/S9)
Smooth and quiet operation, suitable for indoor/outdoor use
Multiple shaft, pole and mounting options available
Controller-matched for sine wave or vector control
Built-in hall sensor for precise positioning
Product Description
1. PMSM 10KW ELECTRIC MOTOR
Model No.: NP-120-48~72V
Basic Specification:

Multi-angle product photos:

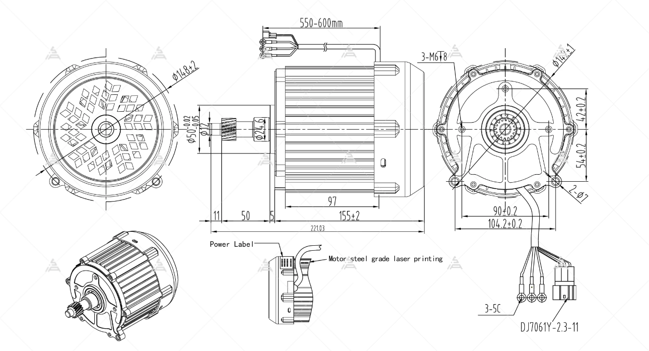
Dimension Drawing:

Detailed Picture Information:

Various Vehicle Usage Scenarios

Click on the picture below to learn about our rear axle powertrain kit!
Click below to contact our team or request your tailored quotation today.
[Inquire Now] [Get the latest catalogue]